- Low background
- High detection efficiency
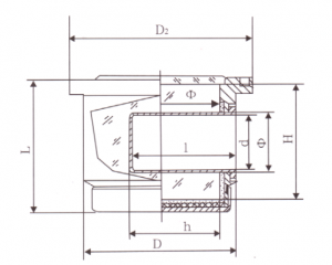
The side-hole type NaI(Tl) scintillator is a detector with a side-hole passing vertically through the axis of the cylindrical NaI(Tl) crystal.
It is housed in aluminum cases and, for measurements, light output can be obtained from an optical window mounted on one or both sides of the edges while passing the specimen through the side-hole.

Features
- High detection efficiency
- Low background
Application Notes
- Environmental Monitoring of nuclear radiation
Nuclear radiation exist universally in our daily life environment, when the radiation intensity higher than security standard, it would be harmful or even lethal to human beings. For its excellent scintillating properties, NaI(Tl) crystals are widely used to make the detectors to monitor nuclear radiation in the industrial and daily life environment, wide field and space.
- Nuclear medicine
NaI(Tl) crystals are widely used in the nuclear imaging technology, such as the isotope therapeutic apparatus, Gamma ray cameras ect.. Nuclear imaging is high in sensitivity and accurate in testing results, the method is easy and secure.
- Industrial CT and security inspection
The NaI(Tl) are used in the metallurgy industrial to test the speed of metal liquid, to test the thickness of the steel plates, they are also used in the level sensors or switches for solid or liquids. Some security inspection instruments use the NaI(Tl) crystals to test the explosive materials.
- Well logging
The NaI(Tl) crystals detect the Gamma ray in the well, by the analysis of the spectrum of the detected scintillating light, the concentration and distribution of the uranium (U), potassium (K) and thorium (Th) in the stratum can be calculated, and the well can be evaluated. NaI(Tl) crystals has high light output and insensitive to temperature change, it has been the first choice for the well logging applications.

scintillators\NaI(Tl) Scintillators\Side-hole type(SC1107)
Welcome to our xuhe website: http://www.shalomeo.com
Contact information:
TEL: +86-571-87920630
FAX: +86-571-87603342
Skype: jamestang1967 , joseph.tang@shalomeo.com
EMAIL: sales@shalomeo.com
ADD: Room 1031A, Boke Mansion, No.9 Xiyuan Road, Xihu District,
