Optical Parameters:
| Focal Length | 41mm to 825mm | F/# | 4.0 |
| Operating Temperature Range | -40℃ to +60℃ | Working Wavelength Range | 3.7μm to 4.8μm |
| Coating on Front Surface Exposing to Air | AR/DLC |
Mechanical Specifications:
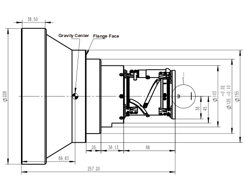
| Focusing Mechanism | Motorized | Weight | ~4200g |
| Lens Housing Material | Black Anodized Aluminum | Max. Dimensions (Diameter x Length) | ɸ228x257.2mm |
Electronics:
| Zoom, Focus Mechanism | DC gear motor control | Zoom, Focus Position Feedback | Encoder |
| Zoom, Focus Driving Voltage | 12V DC |
FOV-Sensor Size:
| FOV | 640X480-15μm |
| H-FOV | 13.27° to 0.67° |
| V-FOV | 10.64° to 0.53° |
1. Drawing:
