click me!

15mm f/1.0 Athermalized Lenses for LWIR Thermal Imaging Camera

Code: 301-011

Inquire Us  

Optical Property

Focal Length 15mm F/# 1.0
Operating Wavelength Range 8μm to 12μm Coating on Front Surface Exposing to Air AR
Calculated Average Transmission >84% Operating Temperature Range -40℃ to +60℃
Focus Range 0.2m to infinite Distortion (Diagonal FOV) <6.5%

 

Mechanical Property

Focusing Mechanism fixed Weight <30g
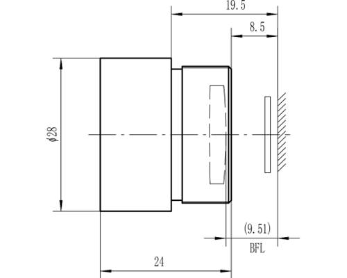
Materials of Lens Housing Anodized aluminium Max. Dimensions (Diameter x Length) ɸ28x24
Installation Way Screw thread connection Back Working Distance (B.W.D) 8.5mm
Connector M25x0.5-6g Sealing Grade IP67

 

FOV(H X V) 160x120 320x240 384x288 640x480 1024x768
12μm 7.3°x5.5° 14.6°x11° 17.5°x13.1° 28.7°x21.7°  
17μm 10.4°x7.8° 20.6°x15.5° 24.1°x18.1° 40.1°x30.0°  
25μm 15.2°x11.4° 29.9°x22.6° 35.4°x26.6°    
 
15mm
L15F1.0
1.0
Athermalized
Notice: Use of undefined constant gdd - assumed 'gdd' in /www/wwwroot/shalomeo.com/catalog/view/theme/shalomtpl2/template/product/product.tpl on line 697gdd
Enquire
5-6 weeks