click me!

40mm f/1.0 Athermalized Lenses for LWIR Thermal Imaging Camera

Code: 301-025

Inquire Us  

Optical Property

Focal Length 40mm F/# 1.0
Operating Wavelength Range 8μm to 12μm Coating on Front Surface Exposing to Air AR
Calculated Average Transmission >84% Operating Temperature Range -40℃ to +60℃
Focus Range 3m to infinite Distortion (Diagonal FOV) <1%

 

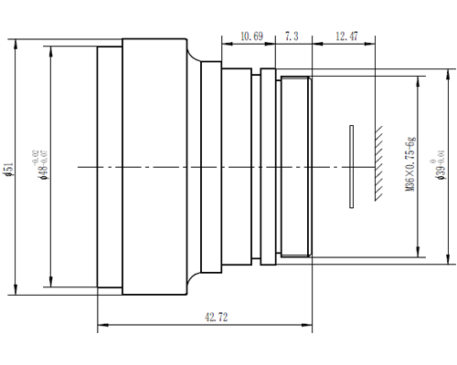
Mechanical Property

Focusing Mechanism fixed Weight 127g
Materials of Lens Housing Anodized aluminium Max. Dimensions (Diameter x Length) Φ51x42.72
Installation Way Screw thread connection Back Working Distance (B.W.D) 12.47mm
Connector M36x0.75-6g Sealing Grade IP67

 

FOV(H X V) 160x120 320x240 384x288 640x480 1024x768
12μm 2.7°x2.1° 5.5°x4.1° 6.6°x4.9° 11°x8.2°  
17μm 3.9°x2.9° 7.8°x5.8° 9.3°x7° 15.5°x11.6°  
25μm 5.7x4.3° 11.4°x8.6° 13.7°x10.3°  
40mm
L40F1.0
1.0
Athermalized
Notice: Use of undefined constant gdd - assumed 'gdd' in /www/wwwroot/shalomeo.com/catalog/view/theme/shalomtpl2/template/product/product.tpl on line 697gdd
Enquire
5-6 weeks