click me!

75mm f/1.2 Athermalized Lenses for LWIR Thermal Imaging Camera

Code: 301-031

Inquire Us  

Optical Property

Focal Length 75mm F/# 1.2
Operating Wavelength Range 8μm to 12μm Coating on Front Surface Exposing to Air AR
Calculated Average Transmission >88% Operating Temperature Range -40℃ to +60℃
Focus Range 5m to infinite Distortion (Diagonal FOV) <2%

 

Mechanical Property

Focusing Mechanism fixed Weight /
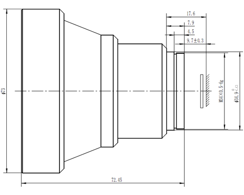
Materials of Lens Housing Anodized aluminium Max. Dimensions (Diameter x Length) Φ73x72.45
Installation Way Screw thread connection Back Working Distance (B.W.D) 9.6mm
Connector M34x0.5-6g Sealing Grade IP67

 

FOV(H X V) 160x120 320x240 384x288 640x480 1024x768
12μm 1.5°x1.1° 2.9°x2.2° 3.5°x2.6° 5.9°x4.4°  
17μm 2.1°x1.6° 4.2°x3.1° 4.9°x7.3° 8.3°x6.2°  
25μm 3.1x2.3° 6.1°x4.6° 7.3°x5.5°  
75mm
L75F1.2
1.2
Athermalized
Notice: Use of undefined constant gdd - assumed 'gdd' in /www/wwwroot/shalomeo.com/catalog/view/theme/shalomtpl2/template/product/product.tpl on line 697gdd
Enquire
5-6 weeks