click me!

9mm f/1.05 Athermalized Lenses for LWIR Thermal Imaging Camera

Code: 301-004

Inquire Us  

Optical Property

Focal Length 9mm F/# 1.05
Operating Wavelength Range 8μm to 12μm Coating on Front Surface Exposing to Air AR
Calculated Average Transmission >92% Operating Temperature Range -40℃ to +60℃
Focus Range 0.2m to infinite Distortion (Diagonal FOV) <1%

 

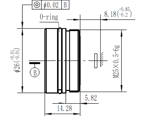
Mechanical Property

Focusing Mechanism fixed Weight <30g
Materials of Lens Housing Anodized aluminium Max. Dimensions (Diameter x Length) ɸ26x14.28
Installation Way Screw thread connection Back Working Distance (B.W.D) 8.18mm
Connector M25x0.5-6g Sealing Grade IP67

 

FOV(H X V) 160x120 320x240 384x288 640x480 1024x768
12μm 12.2°x9.1° 24.1°x18.2°      
17μm          
25μm          
9mm
L9F1.05
1.05
Athermalized
Notice: Use of undefined constant gdd - assumed 'gdd' in /www/wwwroot/shalomeo.com/catalog/view/theme/shalomtpl2/template/product/product.tpl on line 697gdd
Enquire
5-6 weeks